¸ßÄÍÄ¥Óù¤¾ß¸Ösk85£¬£¬£¬£¬ÊǺ¬Ì¼Á¿ÔÚ0.85%×óÓҵøß̼¸Ö£¬£¬£¬£¬µÈЧÓÚ½ÏÔçµÄJIS±ê×¼ÄÚÀïµÄsk5¸ß̼¸Ö£¬£¬£¬£¬ÔÚº£ÄÚ±¦¸Öƾ֤±¦¸ÖÆó±êBKJI2019-009¾ÙÐÐÉú²ú£¬£¬£¬£¬ÅƺŵÈͬÓÚÈÕ±êsk85£¬£¬£¬£¬ÓÉÓÚÈÈ´¦Öóͷ£»áÒòζȵȲî±ð£¬£¬£¬£¬¶ø±¬·¢²î±ðµÄ×éÖ¯£¬£¬£¬£¬Òò´Ë¹ØÓÚsk85µÄÈÈ´¦Öóͷ£Ò²Ò»Ö±ÊÇÎÒÃÇÔÚÏÖʵʹÓÃÖУ¬£¬£¬£¬Ò»¸ö½ÏÁ¿¹Ø×¢µÄ¹¤ÒÕ¡£¡£¡£ÎÞÒâʱ»úÔÚ»¥ÁªÍøÉÏ¿´µ½Ò»ÆªÈÕ±¾ÐÂÐºÏØ¹¤ÒµÊÖÒÕ×ÛºÏÑо¿Ëù¹ØÓÚsk85±¡°å´ã»ð¹¤ÒÕÀï¶Ô²î±ðÈÈ´¦Öóͷ£Î¶ȵÄÑо¿£¬£¬£¬£¬±ã½«Æä·Òë²¢ÇÒÃ÷È·¹ýÀ´ÓÚ´Ë£¬£¬£¬£¬Àû±ã¸÷ÈËÅäºÏѧϰ¡£¡£¡£
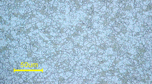
ʵÑé×îÏÈ£¬£¬£¬£¬Ê×ÏÈÊÇÈ¡Ñù£¬£¬£¬£¬È·¶¨ÈÈ´¦Öóͷ£Ç°ÊÔÑùµÄÓ²¶ÈºÍ½ðÏà×éÖ¯µÄÊÓ²ìЧ¹û£¨ÈçÏÂͼ£©¡£¡£¡£¿£¿£¿£¿ÉÒÔ¿´µ½³ß´çΪ¼¸Î¢Ã×µÄ̼»¯Îï¡£¡£¡£»£»£»£»ù±¾½á¹¹ÊÇÌúËØÌ壬£¬£¬£¬¿ÉÒÔ¿´µ½¾§½ç¡£¡£¡£Ó²¶ÈԼΪHV165¡£¡£¡£

ͼ1£ºÈÈ´¦Öóͷ£Ç°µÄÊÔÑù£¨ÌúËØÌ壬£¬£¬£¬Ì¼»¯Î
È»ºóÑо¿Ö÷Òª³¯Á½¸öÆ«Ïò¾ÙÐУ¬£¬£¬£¬±¾Ò³ÎÄÕÂÏÈÈݵÚÒ»¸öÆ«Ïò£º
Ò»£¬£¬£¬£¬sk85¸Ö²ÄÔÚÖÖÖÖ´ã»ðζÈϵÄÓ²¶ÈºÍ½ðÊô½á¹¹¡£¡£¡£½ÓÄɵĴã»ðζȹæÄ£ÊÇ£ºÔÚ750-900 ¡æ¼á³Ö10·ÖÖÓºóÔÙË®À䣻£»£»£»È»ºó¶¼ÒÔ180¡æ±£ÎÂ1Сʱºó¾ÙÐзçÀäµÄ»Ø»ð·½·¨¾ÙÐлػ𣬣¬£¬£¬È»ºóÔÙͨ¹ý¾µÃæÅ×¹âÒ»¿éºó£¬£¬£¬£¬ÓÃ΢ÐÍάÊÏÓ²¶È¼Æ²âÊÔάÊÏÓ²¶È£¨HV0.5£©£¬£¬£¬£¬¿´ÏÂsk85ÈÈ´¦Öóͷ£Ó²¶È¿ÉµÖ´ï¼¸¶à¡£¡£¡£Ö®ºóÔÙ¹ØÓÚ½ðÊô½á¹¹½ÓÄɾµÃæÅ×¹âÊÔÑùºó£¬£¬£¬£¬ÓÃÏõËá-ÒÒ´¼ÈÜÒº£¨3ºÁÉýHNO3¡¢97ºÁÉýÒÒ´¼£©ÇÖÊ´£¬£¬£¬£¬ÓýðÏàÏÔ΢¾µÊÓ²ì½ðÊô½á¹¹£»£»£»£»
Ê×ÏÈ£¬£¬£¬£¬ÔÚÖÖÖÖζÈÏ´ã»ðºóÔÚ180¡ãC»Ø»ðµÄÊÔÑùµÄάÊÏÓ²¶È²âÊÔЧ¹ûÈçͼ2Ëùʾ¡£¡£¡£¿£¿£¿£¿ÉÒÔ¿´³ö£¬£¬£¬£¬ÔÚ750¡æµÄ´ã»ðζÈÏ£¬£¬£¬£¬Ó²¶ÈÔÚ300HV0.5ÒÔϺÜÊǵͣ¬£¬£¬£¬ÔÚ775¡æÒÔÉϵĴã»ðζÈϾßÓÐ760HV0.5ÒÔÉϵĸßÖµ¡£¡£¡£»£»£»£»¹¿ÉÒÔ¿´µ½£¬£¬£¬£¬´ã»ðζÈÔÚ850¡ãCºÍ875¡ãCʱ×î¸ß£¬£¬£¬£¬¶ø´ã»ðζÈÔÚ900¡ãCʱÂÔÓÐϽµ¡£¡£¡£

ͼ2£º²î±ð´ã»ðζȣ¬£¬£¬£¬ÔÚÏàͬ180¡æ»Ø»ðϵÄάÊÏÓ²¶È²âÊÔЧ¹û£¨sk5Ó²¶È£©
ÔÚ²î±ðζÈÏÂsk85´ã»ðºóµÄÊÔÑù£¬£¬£¬£¬¶¼ÔÚ180¡æÏ¾ÙÐлػ𣬣¬£¬£¬ÔÚÒÔÏÂͼ2ºÍͼ3ÖÐÏÔʾ³öÔÚ²î±ðζÈÏ´ã»ðºó£¬£¬£¬£¬ÔÚ180¡æÏ»ػðµÄÊÔÑùµÄ½ðÊô½á¹¹µÄÊÓ²ìЧ¹û¡£¡£¡£
ͼ1ÏÔʾÁËÔÚµÍÓÚÊʵ±Î¶ȵÄ750¡ãC´ã»ðºóÔÚ180¡ãC»Ø»ðµÄÊÔÑùµÄ½ðÊô½á¹¹¡£¡£¡£¿£¿£¿£¿ÉÒÔ¿´µ½Èçͼ2ËùʾµÄsk85×éÖ¯ÓÉÌúËØÌå»ùÌ壬£¬£¬£¬Ì¼»¯ÎïºÍ»Ø»ðÂíÊÏÌ壨»ÒÉ«²¿·Ö£©×é³ÉµÄ½á¹¹¡£¡£¡£
ͼ3£¬£¬£¬£¬´ã»ð£ºÔÚ750¡ãCϼá³Ö10·ÖÖÓ£¬£¬£¬£¬Ë®ÀäÈ´»Ø»ð£ºÔÚ180¡ãCϼá³Ö1Сʱ£¬£¬£¬£¬¿ÕÆøÀäÈ´
ͼ4ÏÔʾÁËʹÓÃάÊÏÓ²¶È¼Æ¶Ôͼ3ÖÐÑùÆ·µÄѹºÛ¡£¡£¡£ÓÉÓÚÌúËØÌå×éÖ¯±È»Ø»ðÂíÊÏÌåÈíµÃ¶à£¬£¬£¬£¬Òò´Ë¿ÉÒÔÈ·Èϰ×É«×é֯ΪÌúËØÌ壬£¬£¬£¬»ÒÉ«×é֯Ϊ»Ø»ðÂíÊÏÌå¡£¡£¡£ÕâÑù£¬£¬£¬£¬µ±´ã»ðζȵÍÓÚÊʵ±µÄζÈʱ£¬£¬£¬£¬ÔÚ´ã»ð×éÖ¯Öлῴµ½ÌúËØÌ壬£¬£¬£¬Ó²¶È½µµÍ£¬£¬£¬£¬Èçͼ1Ëùʾ¡£¡£¡£

ͼ4£ºÊ¹ÓÃάÊÏÓ²¶È¼ÆÒÔ0.1NµÄ²âÊÔÁ¦Ñ¹ºÛµÄͼ3ÖеÄÑùÆ·¡£¡£¡£
ͼ5ºÍͼ6ÏÔʾÁËÔÚºÏÊʵÄSK85´ã»ðζȣ¨760ÖÁ820¡ãC£©Ï´ã»ðºóÔÚ180¡ãC£¬£¬£¬£¬»Ø»ðµÄÊÔ¼þ½ðÊôµÄ×éÖ¯¡£¡£¡£¿£¿£¿£¿ÉÒÔ¿´µ½»Ø»ðµÄÂíÊÏÌåºÍ̼»¯Îï¡£¡£¡£¸ÃÖÊÁÏÊdz¬¹²Îö̼£¬£¬£¬£¬Ì¼º¬Á¿¸ßÓÚ¹²Îö̼£¨0.77£¥£©£¬£¬£¬£¬Òò´ËÔÚºÏÊʵÄζÈÏ´ã»ð¿ÉÒÔ¿´µ½Ì¼»¯Îï¡£¡£¡£

ͼ5£º´ã»ðÔÚ775¡ãC¼á³Ö10·ÖÖÓ£¬£¬£¬£¬Ë®À仨»ðÔÚ180¡ãC¼á³Ö1Сʱ£¬£¬£¬£¬·çÀä

ͼ6£º´ã»ðÔÚ800¡ãCϼá³Ö10·ÖÖÓ£¬£¬£¬£¬È»ºóË®À仨»ðÔÚ180¡ãCϼá³Ö1Сʱ£¬£¬£¬£¬È»ºó¿ÕÀä
ͼ7ÖÁͼ10ÏÔʾÁËÔÚ¸ßÓÚºÏÊÊ´ã»ðζȵÄζÈÏ´ã»ðºóÔÚ180¡ãC¾ÙÐÐsk85¹¤¾ß¸Ö»Ø»ð´¦Öóͷ£µÄÊÔÑù½ðÊôµÄ×éÖ¯¡£¡£¡£¿£¿£¿£¿ÉÒÔ¿´³ö£¬£¬£¬£¬Ëæ×Å´ã»ðζȵÄÉý¸ß£¬£¬£¬£¬Ì¼»¯ÎïµÄÊýÄ¿ïÔÌ£¬£¬£¬£¬»Ø»ðÂíÊÏÌåµÄÕë×´ÐÎ×´ÇåÎú¿É¼û¡£¡£¡£ÈôÊǵ¶Æ¬µÄ½á¹¹±äΪÕâÖÖÕë×´½á¹¹£¬£¬£¬£¬ÔòÈÝÒ×±¬·¢ÖîÈçËéÁÑºÍÆÆËéµÄƶÀ§¡£¡£¡£ÌØÊâµØ£¬£¬£¬£¬ÔÚͼ9ºÍ10ËùʾµÄ½ðÊô½á¹¹ÖУ¬£¬£¬£¬ÏÕЩ¿´²»µ½Ì¼»¯Î£¬£¬£¬¶øÊÇ¿´µ½ÁËÐÎ×´²î±ðÓÚ̼»¯ÎïµÄ°×É«½á¹¹¡£¡£¡£¸Ã½á¹¹±»ÒÔΪÊÇÊ£Óà°ÂÊÏÌå¡£¡£¡£Ê£Óà°ÂÊÏÌåËæ×Åʱ¼äµÄÒÑÍù»á½µµÍÓ²¶È»òÂíÊÏÌå¡£¡£¡£

ͼ7£º´ã»ðÔÚ825¡ãC¼á³Ö10·ÖÖÓ£¬£¬£¬£¬Ë®À仨»ðÔÚ180¡ãC¼á³Ö1Сʱ£¬£¬£¬£¬·çÀä

ͼ8£º´ã»ðÔÚ850¡ãC¼á³Ö10·ÖÖÓ£¬£¬£¬£¬Ë®À仨»ðÔÚ180¡ãC¼á³Ö1Сʱ£¬£¬£¬£¬·çÀä

ͼ9£º´ã»ðÔÚ875¡ãC¼á³Ö10·ÖÖÓ£¬£¬£¬£¬Ë®À仨»ðÔÚ180¡ãC¼á³Ö1Сʱ£¬£¬£¬£¬·çÀä

ͼ10£º´ã»ðÔÚ900¡ãCϼá³Ö10·ÖÖÓ£¬£¬£¬£¬Ë®À仨»ðÔÚ180¡ãCϼá³Ö1Сʱ£¬£¬£¬£¬¿ÕÀä
ϰ벿·ÖÇëÉó²ésk85µÄÈÈ´¦Öóͷ£¹¤ÒÕµÄѧϰ£¨¶þ£©
ÍØÕ¹×ÊÁÏ£º
