极悦娱乐

时间:2025-07-07
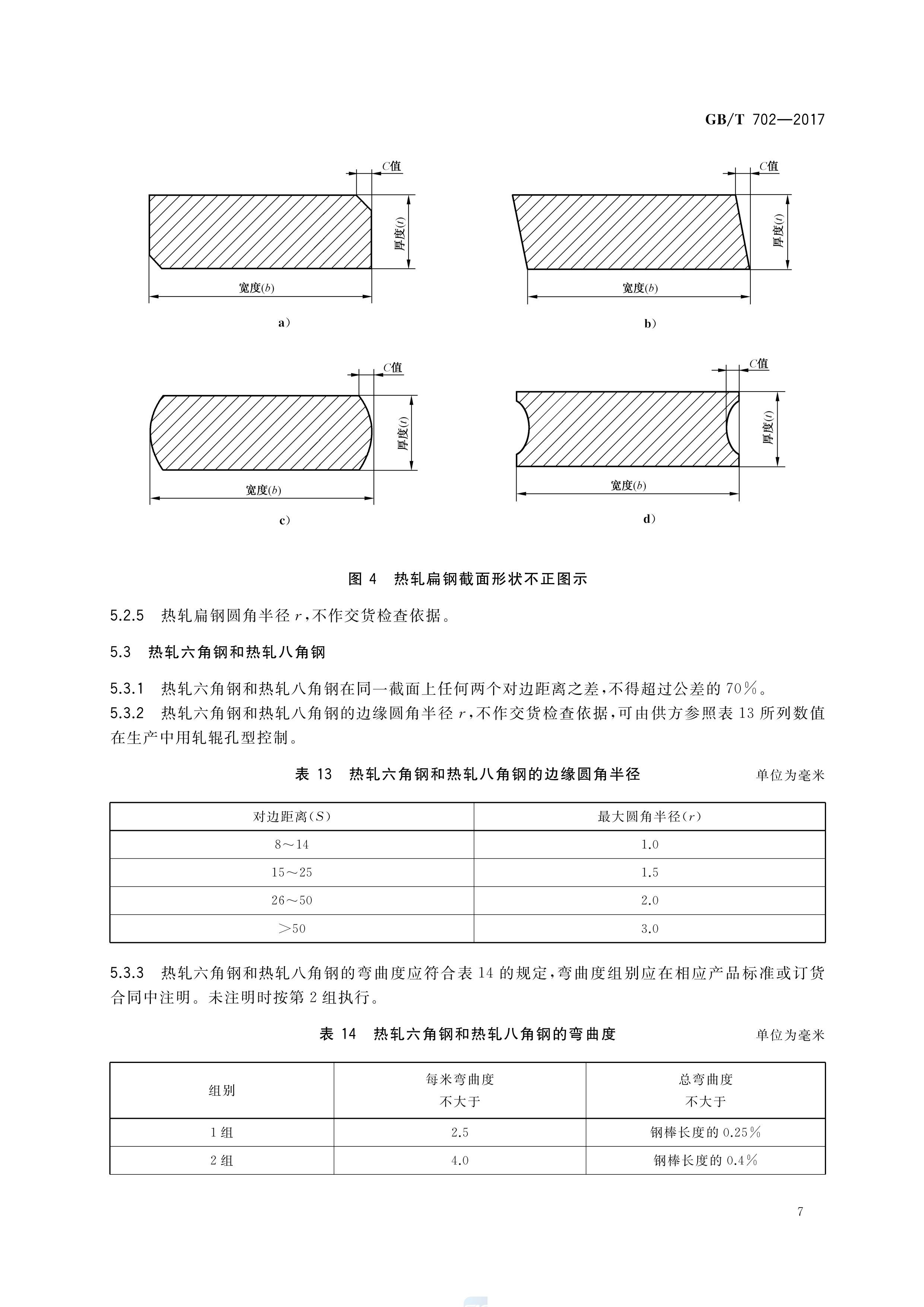
国标GB/T 702-2017 热轧钢棒 执行标准和规范
极悦娱乐(中国)有限公司官网极悦娱乐(中国)有限公司官网极悦娱乐(中国)有限公司官网极悦娱乐(中国)有限公司官网极悦娱乐(中国)有限公司官网极悦娱乐(中国)有限公司官网极悦娱乐(中国)有限公司官网极悦娱乐(中国)有限公司官网极悦娱乐(中国)有限公司官网极悦娱乐(中国)有限公司官网极悦娱乐(中国)有限公司官网极悦娱乐(中国)有限公司官网极悦娱乐(中国)有限公司官网极悦娱乐(中国)有限公司官网极悦娱乐(中国)有限公司官网
【网站地图】【sitemap】